MC II系列安全光幕
特點:◆特殊設計,多種固定方式,安裝方便快捷;◆小巧外觀,節省更多安裝空間;◆完善的自檢功能;◆抗電磁、光干擾能力強;◆抗振性強,防水、防塵性能優越;◆LED指示工作及故障狀態;◆光同步技術,接線簡單,節省安裝時間。技術參數:保護長度0-6000mm保護高度光軸間距×(光束數-1)光...
特點:
◆特殊設計,多種固定方式,安裝方便快捷;
◆小巧外觀,節省更多安裝空間;
◆完善的自檢功能;
◆抗電磁、光干擾能力強;
◆抗振性強,防水、防塵性能優越;
◆LED指示工作及故障狀態;
◆光同步技術,接線簡單,節省安裝時間。
技術參數:
| 保護長度 | 0-6000mm |
| 保護高度 | 光軸間距×(光束數-1) |
| 光軸間距 | 10mm,20mm,40mm |
| 檢測精度 | 19mm,29mm,49m |
| 工作電源 | DC12V~24V |
| 工作電流 | <200mA |
| 負載電流 | <200mA |
| 響應時間 | <20ms |
| 安全等級 | PL c (EN ISO 13849) |
| 防護等級 | IP65 |
| 工作溫度 | –10°C ~ +55°C |
| 環境濕度 | 20°C, RH ≤85% |
| 抗光干擾 | 10000Lux (入射角≥5°) |
| 抗振動 | 頻率:10-55Hz, 振幅:0.35mm |
| 抗沖擊 | 10g, 16ms, X,Y,Z軸,每軸1000次 |
選型表:

光軸間距10mm 光軸間距20,40mm
| 光軸間距 10mm | 光軸間距 20mm | 光軸間距40mm | |||||||||
| 規格 | 光束 | H | L | 規格 | 光束 | H | L | 規格 | 光束 | H | L |
| MCⅡ1610 | 16 | 150 | 197 | MCⅡ0820 | 8 | 140 | 182 | MCⅡ0440 | 4 | 120 | 182 |
| MCⅡ2410 | 24 | 230 | 277 | MCⅡ1220 | 12 | 220 | 262 | MCⅡ0640 | 6 | 200 | 262 |
| MCⅡ3210 | 32 | 310 | 357 | MCⅡ1620 | 16 | 300 | 342 | MCⅡ0840 | 8 | 280 | 342 |
| MCⅡ4010 | 40 | 390 | 437 | MCⅡ2020 | 20 | 380 | 422 | MCⅡ1040 | 10 | 360 | 422 |
| MCⅡ4810 | 48 | 470 | 517 | MCⅡ2420 | 24 | 460 | 502 | MCⅡ1240 | 12 | 440 | 502 |
| MCⅡ5610 | 56 | 550 | 597 | MCⅡ2820 | 28 | 540 | 582 | MCⅡ1440 | 14 | 520 | 582 |
| MCⅡ6410 | 64 | 630 | 677 | MCⅡ3220 | 32 | 620 | 662 | MCⅡ1640 | 16 | 600 | 662 |
| MCⅡ7210 | 72 | 710 | 757 | MCⅡ3620 | 36 | 700 | 742 | MCⅡ1840 | 18 | 680 | 742 |
| MCⅡ8010 | 80 | 790 | 837 | MCⅡ4020 | 40 | 780 | 822 | MCⅡ2040 | 20 | 760 | 822 |
| MCⅡ8810 | 88 | 870 | 917 | MCⅡ4420 | 44 | 860 | 902 | MCⅡ2240 | 22 | 840 | 902 |
| MCⅡ9610 | 96 | 950 | 997 | MCⅡ4820 | 48 | 940 | 982 | MCⅡ2440 | 24 | 920 | 982 |
| MCⅡ10410 | 104 | 1030 | 1077 | MCⅡ5220 | 52 | 1020 | 1062 | MCⅡ2640 | 26 | 1000 | 1062 |
| MCⅡ11210 | 112 | 1110 | 1157 | MCⅡ5620 | 56 | 1100 | 1142 | MCⅡ2840 | 28 | 1080 | 1142 |
| MCⅡ12010 | 120 | 1190 | 1237 | MCⅡ6020 | 60 | 1180 | 1222 | MCⅡ3040 | 30 | 1160 | 1222 |
| MCⅡ12810 | 128 | 1270 | 1317 | MCⅡ6420 | 64 | 1260 | 1302 | MCⅡ3240 | 32 | 1240 | 1302 |
| MCⅡ13610 | 136 | 1350 | 1397 | MCⅡ6820 | 68 | 1340 | 1382 | MCⅡ3440 | 34 | 1320 | 1382 |
| MCⅡ14410 | 144 | 1430 | 1477 | MCⅡ7220 | 72 | 1420 | 1462 | MCⅡ3640 | 36 | 1400 | 1462 |
| MCⅡ15210 | 152 | 1510 | 1557 | MCⅡ7620 | 76 | 1500 | 1542 | MCⅡ3840 | 38 | 1480 | 1542 |
| MCⅡ16010 | 160 | 1590 | 1637 | MCⅡ8020 | 80 | 1580 | 1622 | MCⅡ4040 | 40 | 1560 | 1622 |
| MCⅡ16810 | 168 | 1670 | 1717 | MCⅡ8420 | 84 | 1660 | 1702 | MCⅡ4240 | 42 | 1640 | 1702 |
| MCⅡ8820 | 88 | 1740 | 1782 | MCⅡ4440 | 44 | 1720 | 1782 | ||||
| MCⅡ9220 | 92 | 1820 | 1862 | MCⅡ4640 | 46 | 1800 | 1862 | ||||
| MCⅡ9620 | 96 | 1900 | 1942 | MCⅡ4840 | 48 | 1880 | 1942 | ||||
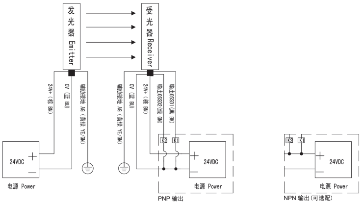
接線圖:
